AUST04
ERA
| taille: | |
|---|---|
| État de disponibilité: | |
| Quantité: | |
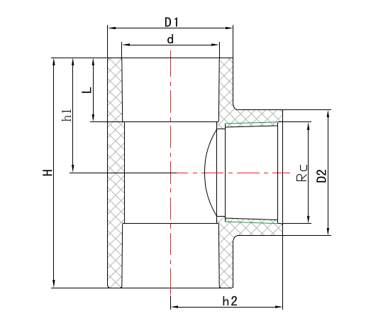
Nom du produit : T-shirt fileté FEMAIE.
Numéro d'article: AUST04
Connecteur d'extrémité : prise
Matériel: UPVC
Norme : AS/NZS1477
Certification : Filigrane, BEP
Taille: 15x1/2''-50x1''
Couleurs : Blanc
