PR008SS
ERA
| taille: | |
|---|---|
| État de disponibilité: | |
| Quantité: | |
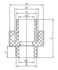
Nom du produit : douille filetée mâle type S.
Numéro d'article: PR008SS
Marque:ERA
Taille : 20x1/2''-32x1''
Matériel: PPR
Couleurs : blanc, vert, bleu, gris ou d'autres couleurs sont disponibles sur demande.
